氣動齒式離合器HTP-40
瀏覽: 發布日期:2017年-05月-25日 17時:55分:02秒
一.氣動齒式離合器HTP型產品概述
HTP型(齒輪型)離合器是由2枚全周帶齒輪的圓盤在空氣壓作用下咬合,不滑脫,確實結實.
1. 高轉矩,不滑落
因由齒輪的咬合來傳達轉矩,盡管小型,卻無滑落,傳達巨大的扭矩.
2. 傳達的轉矩基本為一定值
因不受安裝誤差的影響,傳達的扭矩和旋轉數無關,基本為一定值.
3. 組裝簡單
因為是一體化構造,安裝時,不需要調齊齒芯.
4. 應答性能強
因連接和放開,均可快速完成動作,齒輪的飛轉也并無損傷,壽命長.
5. 可能高速連接
因是氣壓作動,所以和電磁式比較,可以實現高速旋轉時的連結.
6.不管是濕式,干式,均可使用.
三.氣動齒式離合器HTP產品型號
HTP-20,HTP-30,HTP-40,HTP-60,HTP-80,HTP-140,HTP-200,HTP-350
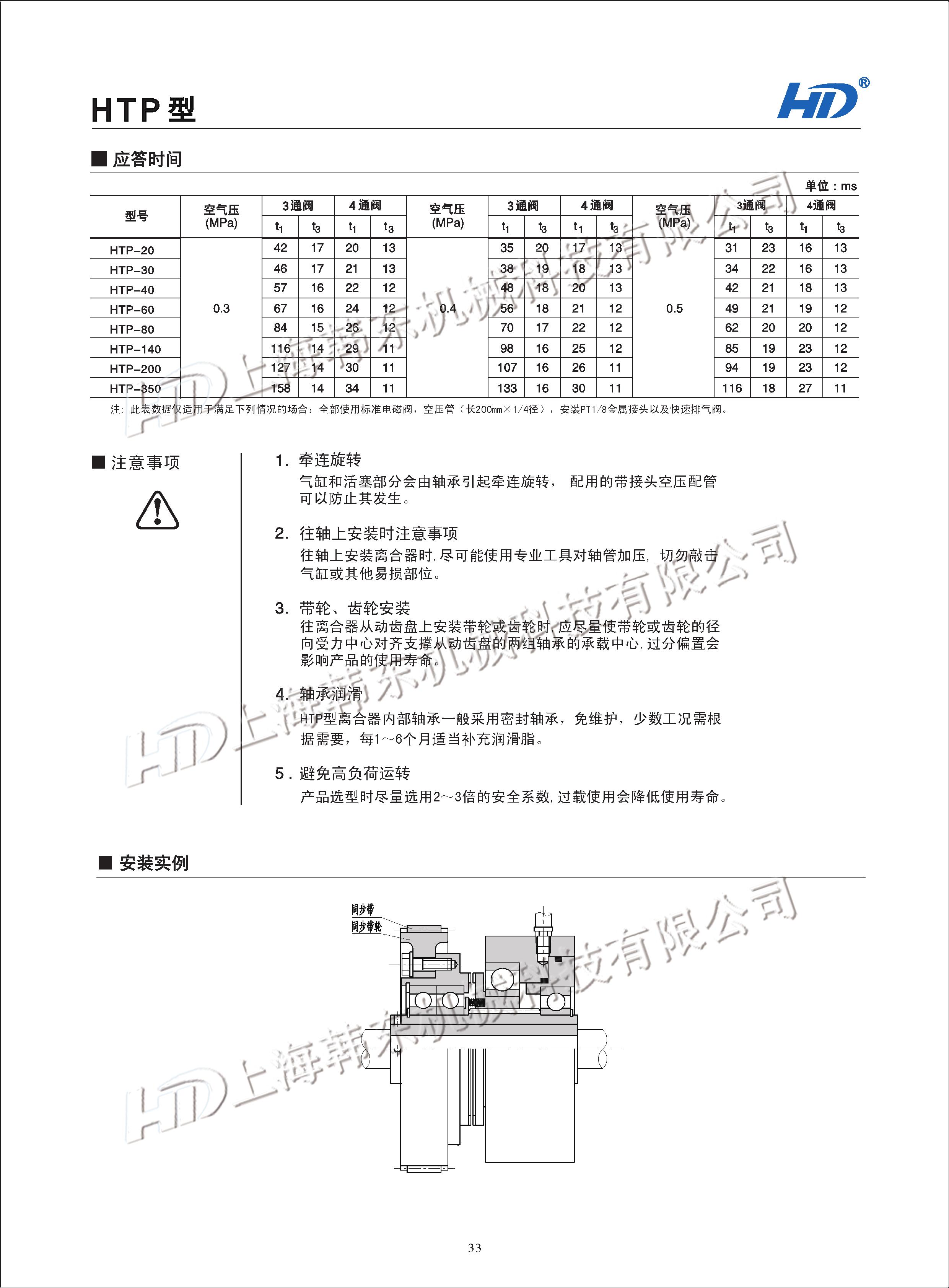
四.氣動齒式離合器HTP外形尺寸


1. 牽連回轉
氣缸,活塞部分由于軸承的作用發生的牽連回轉.用附屬配套的帶接頭的配管專用管(油壓用橡膠管)來阻止.HTP200,350等根據使用條件,把彈簧插進氣缸的一部分銷孔里.
2. 牽引轉矩
因為在結構上,到達連接位置為止會發生牽引回轉,被動側前臉會轉的場合,和制動器一起并用,來防止牽連回轉的發生.牽引轉矩在離合器所可傳達轉矩的10%以下.
3. 安裝時的注意事項
往軸上安裝離合器時,請按壓輪轂.敲打氣缸,活塞式不要給與沖擊.安裝定時滑落和定時齒輪時,用氣缸活塞來承受,不要敲打.
4. 超負荷時的保護
如果超負荷使用就會發生跳閘.跳閘后,如果仍保持原樣持續運轉的話由于齒輪部和球形止動部可能發生破損,所以請停止運轉.
如有需要產品詳細參數、選型、貨期、報價等信息,歡迎聯系我們!價格優惠!電話:15201805440(微信同號)本公司產品均可定制,型號眾多,歡迎選購!
相關產品推薦:《內齒式氣動離合器HBS型》《齒形氣動離合器BTC型》《氣動多片式離合器HBDC型》










